O Lendário 555: Anatomia de um Clássico da Eletrônica
Professor Washington Paiva
Na eletrônica, componentes vêm e vão. Válvulas deram lugar a transistores, que deram lugar a circuitos integrados complexos e microcontroladores. No entanto, existe um pequeno chip de 8 pernas que resiste ao teste do tempo desde 1972: o NE555.

Projetado pelo genial Hans Camenzind para a Signetics, o 555 não é apenas “útil”; ele é uma obra-prima de design analógico. Hoje, não vamos apenas olhar para como usá-lo, mas vamos abrir essa “caixa preta” e entender o que acontece lá dentro.
1. O “Segredo” do Nome e o Divisor de Tensão
Muitos perguntam: “Por que 555?”. Embora existam lendas de que o nome foi arbitrário, a explicação técnica mais satisfatória reside na estrutura de entrada do chip.

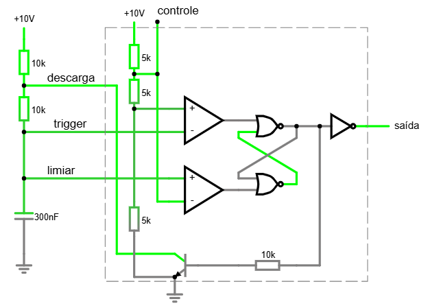
Internamente, entre o pino de alimentação Vcc e o terra (GND), existem três resistores de 5KΩ, conectados em série.
Este trio forma um divisor de tensão de precisão que estabelece dois pontos de referência cruciais para todo o funcionamento do chip:
- O Ponto Superior: Entre o primeiro e o segundo resistor, a tensão é fixada em 2/3 de Vcc.
- O Ponto Inferior: Entre o segundo e o terceiro resistor, a tensão é fixada em 1/3 de Vcc.
Guardem essas frações: 1/3 e 2/3. Elas são o coração pulsante do 555.
2. Os Comparadores: Os Olhos do 555
O 555 toma decisões baseadas em tensão. Para isso, ele usa dois Comparadores Operacionais internos (triângulos no diagrama de blocos). Um comparador é simples: ele tem duas entradas (+ e -). Se a tensão na entrada + for maior que na -, a saída é “1” (ALTA). Caso contrário, é “0” (BAIXA).
- Comparador de Limiar (Threshold Comparator): Ele vigia o pino 6. Se a tensão no pino 6 ultrapassar 2/3 de Vcc, este comparador envia um sinal para “resetar” o circuito.
- Comparador de Gatilho (Trigger Comparator): Ele vigia o pino 2. Se a tensão no pino 2 cair abaixo de 1/3 de Vcc, este comparador envia um sinal para “setar” (ligar) o circuito.
3. O Flip-Flop RS: A Memória
Os sinais dos comparadores vão para um Flip-Flop RS (Reset-Set). Imaginem isso como uma gangorra digital.
- Se o Comparador de Gatilho diz “vai”, o Flip-Flop muda para o estado SET (Ligado).
- Se o Comparador de Limiar diz “para”, o Flip-Flop muda para o estado RESET (Desligado).
É esse componente que garante que o 555 tenha estabilidade. Ele lembra o último comando recebido até que o comando oposto chegue.
4. O Estágio de Saída e o Transistor de Descarga
Finalmente, o Flip-Flop comanda duas coisas:
- A Saída (Pino 3): Passa por um estágio amplificador (buffer “totem-pole” ou push-pull). Isso permite que o 555 forneça ou drene até 200mA, o que é muita corrente para um chip desse tamanho (por isso ele acende LEDs e relés diretamente).
- O Transistor de Descarga (Pino 7): Este é um transistor NPN interno cujo coletor está ligado ao pino 7.
- Quando a saída é BAIXA, este transistor liga, conectando o pino 7 ao Terra (GND). Isso descarrega o capacitor externo.
- Quando a saída é ALTA, este transistor desliga (corte), permitindo que o capacitor externo carregue.
5. Pinagem Detalhada (O que faz cada perna?)
Agora que conhecemos o interior, a pinagem externa faz todo o sentido:

Explorar
- Pino 1 (GND): O terra do circuito.
- Pino 2 (Trigger/Gatilho): A entrada do comparador inferior. Dispara o início do ciclo se a tensão for < 1/3 Vcc.
- Pino 3 (Out/Saída): O resultado final. Alta tensão (perto de Vcc) ou Baixa tensão (0V).
- Pino 4 (Reset): Um “freio de emergência”. Se conectado ao terra, ele força o 555 a desligar, ignorando qualquer outra coisa. Geralmente ligado ao positivo para não atrapalhar.
- Pino 5 (Control Voltage): Lembra do divisor de tensão interno? Esse pino conecta diretamente ao ponto de 2/3 Vcc. Se aplicarmos uma tensão aqui, mudamos o tempo de disparo. É assim que fazemos modulação PWM ou sirenes complexas. Se não usado, colocamos um capacitor de 10nF para filtrar ruído.
- Pino 6 (Threshold/Limiar): A entrada do comparador superior. Encerra o ciclo se a tensão for > 2/3 Vcc.
- Pino 7 (Discharge/Descarga): O dreno para o capacitor. Conecta ao terra quando a saída está desligada.
- Pino 8 (Vcc): Alimentação (4.5V a 18V).
Características
Faixa de Tensões de Alimentação: 4,5 – 18 V
Corrente máxima de saída: +/- 200 mA
Tensão de limiar típica com alimentação de 5 V: 3,3 V
Corrente de limiar típica: 30 nA
Nível de disparo típico com alimentação de 5 V: 1,67 V
Tensão de reset típica: 0,7 V
Dissipação máxima: 500 mW
Corrente típica de alimentação com 5 V: 3 mA
Corrente típica de alimentação com 15 V: 10 mA
Tensão típica de saída no nível alto com 5 V de alimentação (Io = 50 mA): 3,3 V
Tensão típica de saída no nível baixo com 5 V de alimentação (Io = 8 mA): 0,1 V
Conclusão
O CI 555 não é mágica; é uma aplicação elegante de comparadores, divisores de tensão e lógica digital básica. Entender o 555 é entender os blocos fundamentais da eletrônica analógica.
Ao montar seus circuitos, lembrem-se: vocês estão manipulando a carga e descarga de um capacitor entre as barreiras de 1/3 e 2/3 da tensão, num ciclo de “feedback” controlado por aquele Flip-Flop interno.
Leia Também
Como calcular o Tempo do Pisca Pisca?
Compartilhe:











Publicar comentário